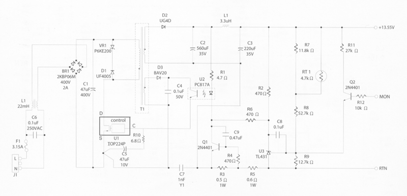
13.55 Vout Switch Mode Power Supply using TOPSWITCH



The following shows a schematic of a Lead Acid battery charger. The circuit uses a TOPSWITCH TOP224P as the controller IC chip.

This TOPSWITCH circuit generates a single isolated output voltage of 13.55 volts from a rectified AC input. The AC input is rectified using simple brige rectifer, rated at 400 V and 2 A, with a part number of 2KBP06M.

CWS can supply all the magnetics. On the input side, the 22mH common mode choke, L1. On the output side, the 3.3uH differential mode output choke, L1. The main transformer T1 with CWS part number TS224P03.

Application includes charger for small rechargeable lead acid batteries installed in burglar or fire alarm systems or emergency lighting system. You, as our customer, are encourage to use this simple circuit in your application.