1.5 W Switch Mode Power Supply Using TINYSWITCH




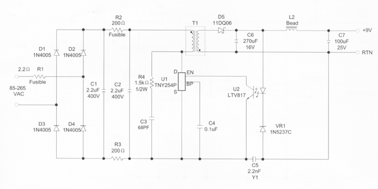
The following shows a schematic of a 1.5W, 9vout AC adapter. It can deliver 170 mA of current. The circuit uses a flyback topology to generate a single isolated 9 volt outputs. The input is universal 85 Vac to 265 Vac. A typical application of this circuit is in wall adapter and in application requiring very low cost and small size.

This circuit is designed to replace linear type power supplies with the advantage of smaller size and higher efficiency at comparable cost.

The TINYSWITCH used is TNY254P, and the CWS' power transformer used (T1) is TN254P00.