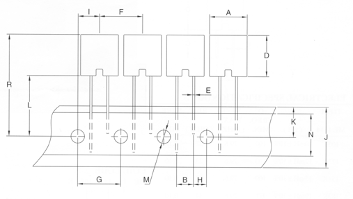
M Series Tape and Reel Specifications




Tape and Reel Specifications for M Series of Shielded Power Inductor

 

Dimensions in mm. (1 Inch = 25.4mm)

A = 11.2 + - 0.3 G = 12.7 + - 3.0 L = 18.0
B = 5.0 + - 0.8/-0.2 H = 3.85 + - 0.7 M =4.0 + - 0.3
D =12.2 + - 0.3 I =6.35 + - 1.3 N =12.5 Min
E =0.65 + - 0.05 J =18.0 + - 1.0/-0.5 R = 32.2 Max
F =12.7 + - 1.0 K =9.0 + - 0.5

Special lower pricing if purchased in tape and reel quantities.