Home
Log In
Categories
News Articles
Products
Custom Products
Cross Reference
Design Consulting
Application Notes
GSA
PRISM Lighting
About Us
Information
Shipping & Returns
Privacy Notice
Conditions of Use
Contact Us
Site Map
Important Links
0805 Series Inductor - Dimensions Specification
0805 Series SMI - Tape and Reel Specifications
0805 SMD Series - Tape and Reel Specifications
1.3 W Switch Mode Power Supply Using TINYSWITCH
1.5 W Switch Mode Power Supply Using TINYSWITCH
1008 Series Inductor - Dimensions Specification
1008 Series SMI - Tape and Reel Specifications
1205 Series SMI - ENVIRONMENTAL SPECIFICATION
1210 Series Inductor - Dimensions Specification
1210 Series SMI - Tape and Reel Specifications
13.55 Vout Switch Mode Power Supply using TOPSWITCH
15W Power Supply Circuits Sample
20H Series Schematics
20V Series Schematics
24H Series Schematics
24V Series Schematics
250 Amps Power Inductor Drawing and Schematics
3 Phase Nanocrystalline Common Mode Chokes Pictures
3.6 W Switch Mode Power Supply Using TINYSWITCH
30W Power Supply Circuits Sample
4 Phase Nanocrystalline CMCs
453226 Series SMI - Tape and Reel Specifications
5 Outputs (35W) Switch Mode Power Supply using TOPSWITCH
5W Power Supply Circuits Sample
72000 Current Sense Transformer Drawings and Schematics
72100 Current Sense Transformer Drawings and Schematics
72200 Current Sense Transformer Drawings and Schematics
72300 Current Sense Transformer Drawings and Schematics
72400 Current Sense Transformer Drawings and Schematics
72500 Current Sense Transformer Drawings and Schematics
A sample Switch Mode Power Circuit
Abous Us - CWS Coil Winding Specialist Production Factory
Air Coil Inductors
Antenna Coil
APC Power Choke Specification
Application Notes: Automotive Crossover Filters
Application Notes: for 50 Hz, 60 Hz, 400 Hz, 800 Hz CT-Series an
Application Notes: How To Select And Use Ferrite / Nanocrystalli
AppNotes - Advances in Power Sources
AppNotes - Flat Transformers
AppNotes - Magnetic and Transformers Design Consulting
AppNotes - Transformers and Power Electronics Articles
AppNotes - Understanding EMC Stands and Specifications Page 1
AppNotes - Understanding EMC Stands and Specifications Page 2 (E
AppNotes - Understanding EMC Stands and Specifications Page 2 (T
AppNotes - Understanding EMC Stands and Specifications Page 4 (I
AppNotes - Understanding EMC Stands and Specifications Page 5 (I
AppNotes - Understanding EMC Stands and Specifications Page 6 (M
AppNotes - Understanding EMC Stands and Specifications Page 7 (I
AppNotes - Understanding EMC Stands and Specifications Page 8 (I
AppNotes - Understanding EMC Stands and Specifications Page 9 (M
AppNotes - Understanding EMC Stands and Specifications TOC
BOBBINS and FOOTPRINTS
Careers2
Color Coding Inductance Marking 1st, 2nd, 3rd as referenced
Common Mode Line Filter. 28V Series ( Vertical Mount )
Common Mode Line Filter. 35H Series ( Horizontal Mount )
Common Mode Line Filter. 35V Series ( Vertical Mount )
Cross referencing and multi-sources
Cross-Reference for Coilcraft
Custom Coils for Electric Guitar Pick Ups
Custom Design Capabilities For Custom Winding Products
Custom Helical Coil Winding Using Flat Helical Wires
Custom Power Transformers Sizes & Dimensions
Custom Winding - Ferrite Cores
Custom Winding - Powder Cores
Custom Winding - Tape Wound Cores
Custom Winding Products
DC DC Converter Inductors and Chokes Photos
Dimensions for OPC Series of Output Power Inductor
Dimensions of PM-S and PM-H Series
EMI / RFI FILTERS - Line Filters
EMI / RFI FILTERS Differential Mode Line Filters Spec
Environmental Specification
EPL Series Power Transformers
Helical Winding Output Inductor Background
High Flux Power Inductor Dimensions
How to choose Iron Powder, Sendust, Koolmu, High Flux and MPP Co
Inductive Loads Pictures
K Kit Sum Technical Articles
List of Reference Designs
Low Cost Services
M Series Tape and Reel Specifications
MPP Power Inductor Dimensions
MPP, Sendust, Kool Mu®, High Flux and Iron Powder Core Prope
Packages and Dimensions of Switch Mode Power Transformers
Photos of TOP Switch Mode Power Transformers
Power Choke Drawings and Schematics
Quote Request/Tech Support
R Series Tape and Reel Specification
Read This First; Contains Basic Information on each types of Cur
Resume
SB 0703 - Drawings and Land Pattern
SB 0704 - Drawings and Land Pattern
SB 0708 - Drawings and Land Pattern
SB 1004 - Drawings and Land Pattern
SBP 0603 - Drawings and Land Pattern
SBP 0603 - Tape & Reel Specs
SD 0501 - Drawings and Land Pattern
SE 1306 - Drawings and Land Pattern
Self Supported Coils: Custom Coil Winding Using Small Gauge Wire
SHF Dimensions
SI 1210 Series Inductor Environment & Soldering Specifications
SI 1210 Tape and Reel Specification
SI 1812 Environmental & Soldering Specification
SP 1207 Series Inductor - ENVIRONMENTAL SPECIFICATION
SP 139405 - Drawings and Land Pattern
SP 6028 ENVIRONMENTAL SPECIFICATION
SP 7032 Series Inductor - Environmental Specification
SP0502 - Drawings and Land Pattern
SP0503 - Drawings and Land Pattern
SP0602 - Drawings and Land Pattern
SP0603 - Drawings and Land Pattern
SP0703 - Drawings and Land Pattern
SP0704 - Drawings and Land Pattern
SR 1004 - Drawings and Land Pattern
ST 1207 - Drawings and Land Pattern
Surface Mount Header, Mounts and Bobbins
TAPE AND REEL SPECIFICATIONS
Tech Support
Terms & Conditions
test
Thank you for your request.
Thermostats Tech Support
Toroidal Power Transformer Dimensions
Toroidal Power Transformers
Toroidal Power Transformers Description of Part Numbers and Orde
Toroids Header, Mounts and Bobbins
Types of Switch Mode Power Transformers
Quality Management
Soldering CWS Components
---- April 9th 2026 ----
www.ccr.gov
CAGE Code: 5DME2
ITAR Registration Code: M28889
Call: 1 (800) 377-3244
We Are Open Monday to Friday 8 A.M. - 5 P.M. (Pacific Time)
Â
E-mail your questions and requirements at:
sales@coilws.com
*Please contact us for available stock.
Stock quantity of zero may be reflected as it is not implemented yet.
News Articles
Products
Custom Products
Cross Reference
Design Consulting
Application Notes
GSA
PRISM Lighting
About Us
Search
💬 Chat loading…
Search
Advanced Search
Categories
→
Products→
Custom Products→
Cross Reference→
Design Consulting
Application Notes
GSA→
PRISM Lighting
About Us
Information
Shipping & Returns
Privacy Notice
Conditions of Use
Contact Us
Site Map
Home
↔
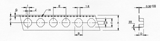
SBP 0603 - Tape & Reel Specs
SBP 0603 - Tape & Reel Specs
Dimensions in mm ( 1 inch = 25.4mm )
A
B
C
D
E
F
G
H
I
J
16 +-0.3
4.4 +-0.1
6.7 +-0.1
3 +-0.1
8 +-0.1
7.5 +-0.1
1.75+-0.1
1.5+-0.1
4 +- 0.1
2 +- 0.1
Special lower pricing for orders in reels.